Yamaha Aerox 50 R – Onderdelengroepen
Kies een groep
Selecteer de juiste onderdeelgroep voor deze uitvoering.
Achterlicht
Achterwiel
Benzinetank
Bobine Cdi Unit Accu
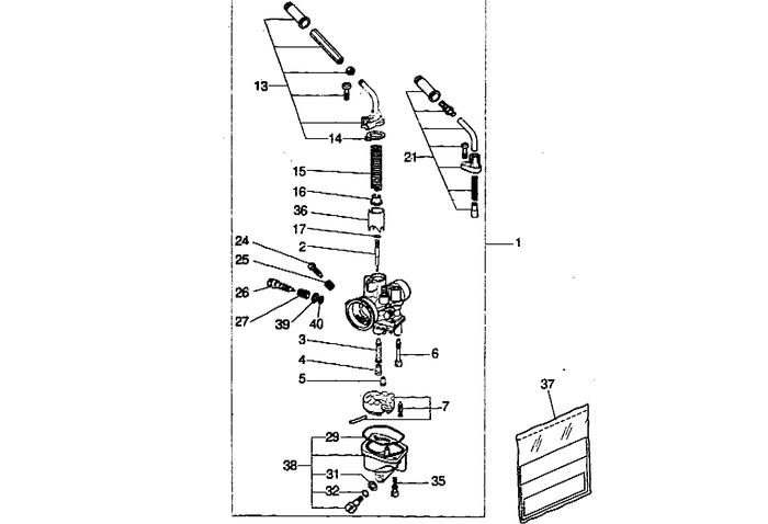
Carburateur
Carter
Cilinder
Frame
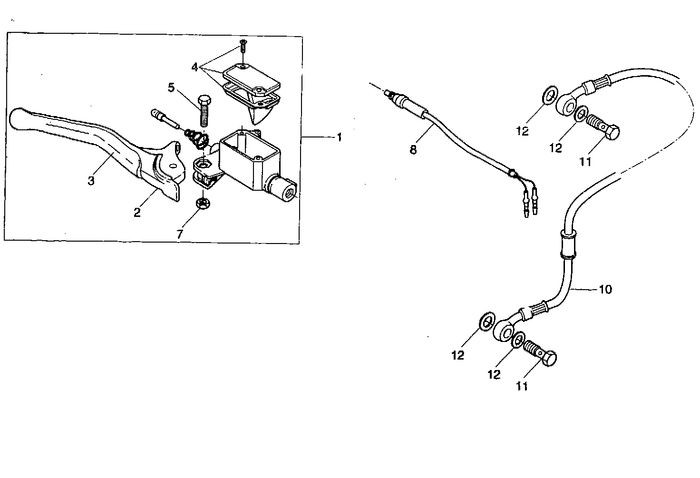
Hoofdremcilinder Voor
Kilometerteller
Knipperlicht
Koplamp Knipperlicht Voor
Koppeling
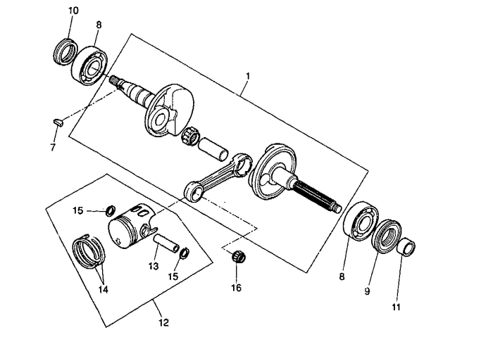
Krukas Zuiger
Oliepomp
Olietank
Ontsteking
Radiateur
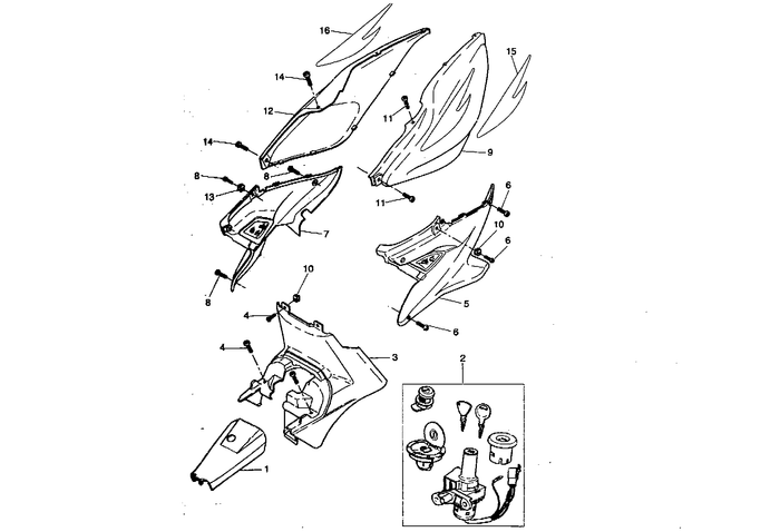
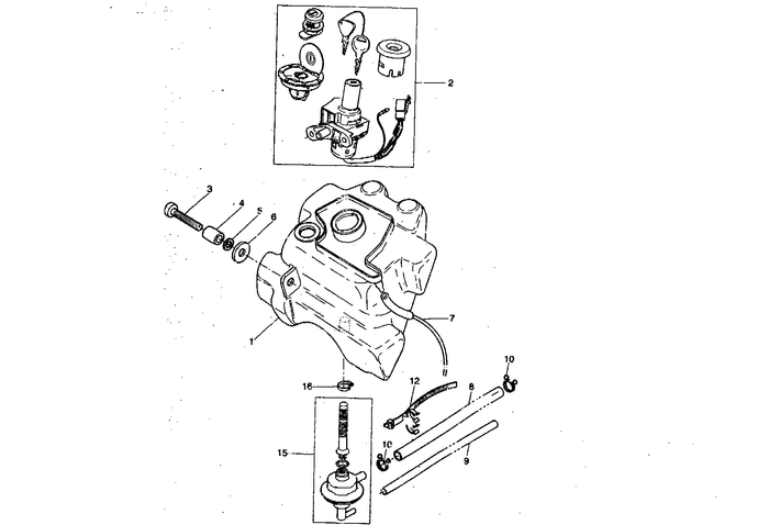
Regelaar Claxon Contactslot
Remklauw Achter
Remklauw Voor
Rempomp Rempedaal
Schakelaars
Schokbreker Achter
Spatborden
Startsysteem
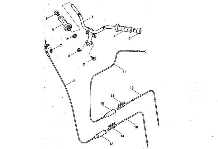
Stuur Gaskabel
Stuurkap Spiegel
Toevoer Luchtfilter
Transmissie
Treeplank Standaard
Uitlaat
Voorscherm Binnenbekleding Onderschermbeplating
Voorwiel
Vork
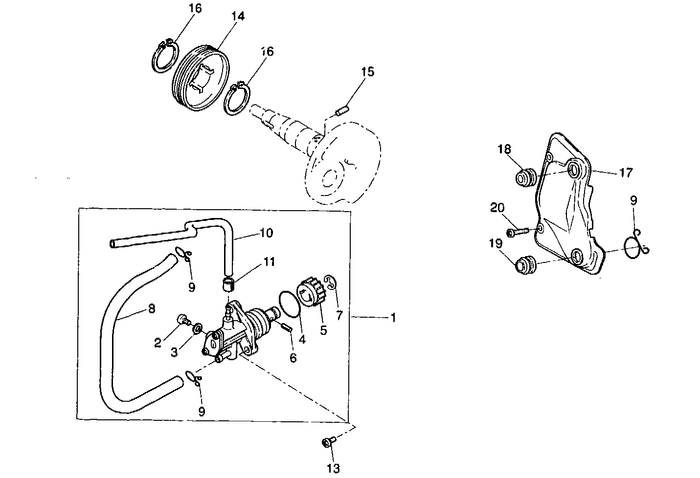
Waterpomp
Zadel
Zijscherm
×