Derbi Senda SM 50 2T X-Treme E2 2010 – Onderdelengroepen
Kies een groep
Selecteer de juiste onderdeelgroep voor deze specifieke uitvoering.
Achterwiel
Benzinetank Luchtfilter Zadel
Carburateur Pakking 2
Carburateur Pakking
Carter
Cilinder Cilinderkopf
Frame
Handleiding Gereedschapszak
Kickstarter
Kilometerteller Kilometertellerkabel
Koelsysteem
Koplamp Knipperlicht Achterlicht
Koppeling
Oliepomp
Ontsteking
Remklauw Achter
Schakelpedaal
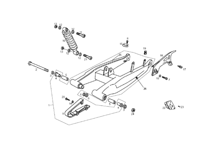
Schommelarm Schokbreker Achter
Spatbord Zijscherm Achterbeplating
Stuur Hoofdremcilinder Schakeleenheid
Transmissie Tandwiel Voor
Uitlaat
Voorwiel
Vork (escorts)
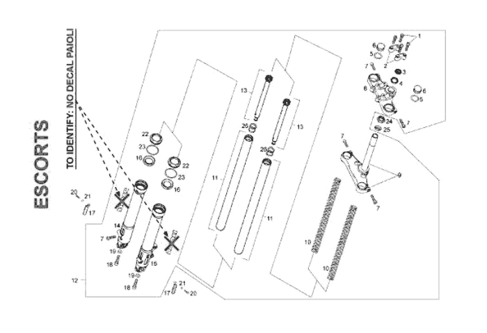
Vork (paioli)
Waterpomp
Werkplaatsgereedschap
×