Derbi Senda SM 50 2T X-Treme E2 2004 – Onderdelengroepen
Kies een groep
Selecteer de juiste onderdeelgroep voor deze specifieke uitvoering.
Achterrem
Achterwiel
Benzinetank Luchtfilter Zadel
Carburateur Automatische Start
Carter
Frame
Gereedschapszak Handleiding
Kickstarter Kickstartertas
Kilometerteller Kilometertellerkabel
Koplamp Knipperlicht Achterlicht
Koppeling
Krukas Zuiger Cilinder
Motor
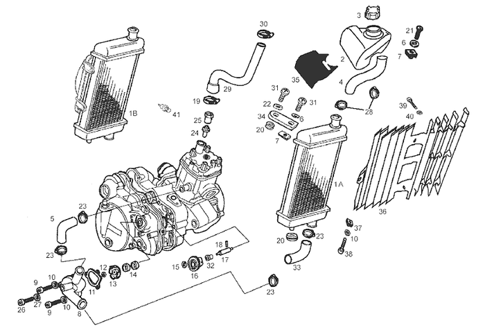
Oliepomp Waterpomp
Olietank Oliepomp
Ontsteking
Oscillerende Arm Schokbreker Achter
Schakelpedaal
Spatbord Zijscherm Achterbeplating
Transmissie Tandwiel Voor
Uitlaat
Voorwiel
Vork
×